| Sign In | Join Free | My chinalane.org |
|
Brand Name : Xingjin
Model Number : QMH15/80, QMH15/90
Certification : CAL,CMA,CNAS,ILAC-MRA,CCC
Place of Origin : China
MOQ : 2 set system
Price : negotiation
Payment Terms : L/C, D/A, D/P, T/T, Western Union, MoneyGram
Supply Ability : 300 sets per month
Delivery Time : 10-15 working days
Packaging Details : Plywood outer box with bubble bag or paper
Cylinder Volume : 80L, 90L
Capacity : 14.25kg, 16.04kg
Pattern of extinguishing : Enclosed flooding
Agent : IG100 (100% pressurized nitrogen)
Working prussure : 15MPa
Color : Red
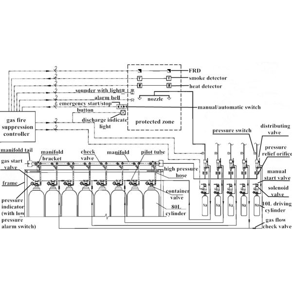
IG100 Fire Suppression System
Inert Gas IG100 Fire Suppression System Cylinder Volume 80L 90L Enclosed Flooding
Description
IG100 uses 100% pressurized nitrogen, which accounts for 78% of the atmosphere, as the extinguishing agent. Its ozone depletion potential (ODP) and global warming potential (GWP) are zero. The atmospheric retention time is zero without any adverse effects on the environment. It fully integrates the design concept of the fire-extinguishing system in the new era, so that the product successfully has the function of environmental protection and efficient fire-fighting.
IG100 characteristics: protecting the ecological environment of the earth, safety and hygiene do not interfere with vision, no stain caused by extinguishing agent, durable of fire fighting effect. Nitrogen can be separated from the air and produced from a wide range of sources at a cheap charge.
Parameters
| No. | Specification | Technical Parameter | |
| 1 | Working Pressure | 15Mpa | |
| 2 | Device Model | QMD15/80 | QMD15/90 |
| 3 | Capacity | 80Ltr | 90Ltr |
| 4 | Filling Capacity of Gas | 14.25kg | 16.04kg |
| 5 | Outside Diameter of Cylinder | Φ279mm | Φ325mm |
| 6 | Height of Cylinder | 1578+73mm | 1345+60mm |
| 7 | Spraying Time | ≤10s | |
| 8 | Max Filling Rate | 0.178kg/L | |
| 9 | Power | DC24V/1.6A | |
| 10 | Nitrogen Pressure of Driving Device | 6.0±1.0Mpa(20℃) | |
| 11 | Condition of Reserving Room for Container | temperature: 0~50℃ | |
| 12 | Max Working Pressure | 17.2Mpa | |
| 13 | Min Working Pressure | 13.6Mpa | |
Application
Computer room, telecommunication room, transformer room, electrical switch and distribution room, generator room, leaching tank, drying equipment, paint spraying booth, electrical instrument room, control center, library, archives, treasure trove of cultural relics, etc.
Packages
We always pack it with polyfoam first and then put it into a wooden case. Sometimes, in order to meet with customers or the safety requirement, we will make a pallet for the goods.

Advantages
Mimic Diagram
Single/Multiple cylinder(s) for multiple zone

Single/Multiple cylinder(s) for one zone

Company Introduction:
Guangzhou Xingjin Fire Equipment Co., Ltd. is situated in Guangzhou, which is vital to connection between China and the rest of the globe. It is surrounded by excellent transportation and a lovely environment. We are a manufacturer, and our professional and experienced staff, which consists of the program design team, the skillful installation team, the quality detecting team, and the after-sell service team, is dedicated to the study and development of HFC-227ea (FM200) products. The FM200 fire suppression system, the cabinet type FM200 fire suppression system, the automated FM200 fire extinguisher (ceiling mounted style), the fire detecting tube suppression system, and the automatic fire suppression tube are all currently commonly utilized. As a result of high-quality products and services as well as the good reputation, our company is well-received by the customers in China.

Why Choose Us
• 5 years quality guarantee
• Xingjin is running in a high efficiency management system
• Advanced equipments & professional engineers to promise all products are quite satisfactory.
• We provide 8×6 hrs technical support and service.
After-Sale Service
• We have an efficient sales and after sales team to promise slove all client's question in time.
• We provide 8×6 hrs technical support and service.
|
|
Inert Gas IG100 Fire Suppression System Cylinder Volume 80L 90L Enclosed Flooding Images |