| Sign In | Join Free | My chinalane.org |
|
Brand Name : XINGJIN
Model Number : PHYM
Certification : CCC,CAC,ROHS
Place of Origin : Guangzhou,China
MOQ : 1 set system
Price : Pricing based on quantity
Payment Terms : T/T, L/C
Supply Ability : 30000set/month
Delivery Time : 15-20days
Packaging Details : Wooden Box Or Plywood Outer Box With Bubble Bag Or Paper
Feature : Durable, Easy operation, Flexible
Application : anti-foaming agent for clearing firefighting foam
Pattern of extinguishing : Enclosed flooding
Material : Carbon Steel
Cylinder Volume : 700L~13000L
Working Pressure : 0.6-1.6Mpa
Mixing ratio selector : 3% or 6%
Semi-fixed (portable) foam fire extinguishing equipment
Description:
A foam fire extinguishing system primarily consists of a fire pump, a fire water source, a foam extinguishing agent storage device, a foam proportioning device, a foam generating device, and piping. The foam proportioning device mixes the foam extinguishing agent and water in the correct proportion to form a foam mixture. The foam generating device then forms air foam, which is then applied to the burning object to extinguish the fire.
The primary fire extinguishing mechanism of a foam system is to extinguish a fire through the covering, submerging, cooling, and suffocating effects of the foam layer.
![]() | ||
| High multiplier generator | Semi fixed foam fire extinguishing device | Vertical/horizontal foam tank |
Product details and specifications:
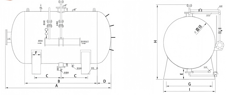
| Working principle: When the pressure water of the water supply pump enters the proportional mixer from the inlet pipe and valve, most of the water enters the main pipe and the proportional mixer throttling device. According to the principle of fluid mechanics, a section of low pressure zone is formed behind the throttling device, and a small part of the water enters the inlet pipe and flows into the storage tank, squeezing the diaphragm. Under the pressure of the pressure water, the extinguishing agent in the bag enters the low pressure zone of the proportional mixer through the outlet pipe and the outlet valve, so that the water and extinguishing agent are automatically mixed in proportion to form a foam mixture, which is sent to the foam generator and the spraying equipment through the pipeline for extinguishing. In many practical engineering applications, the design requires that electric ball valves should be installed on the water inlet pipe and liquid outlet pipe of the foam tank, and the field control cabinet should be equipped. The control principle is as follows: Principle of fire automatic control: When the on-site control cabinet is set to automatic mode, when the fire signal arrives, the inlet electric ball valve and outlet electric ball valve (220V) on the storage tank will be automatically opened; When the fire signal disappears, the inlet valve and outlet valve are automatically closed. There is a working status indicator light on the control cabinet (closed/open), and the valve feedback point on the control cabinet is the active point (220V), If passive feedback contacts are required, they should be specified in the procurement requirements. When manually controlling, the on-site control cabinet must be set to manual mode, and the corresponding valve opening and closing buttons on the control cabinet should sequentially open/close the inlet electric ball valve and the outlet electric ball valve. In case of power shortage in the on-site control cabinet, the valve opening wrench equipped on the electric valve can be used to manually open the electric valve | ![]() |
| ![]() |
| Working principle: In many practical engineering applications, the design requires that electric ball valves should be installed on the water inlet pipe and liquid outlet pipe of the foam tank, and the field control cabinet should be equipped. The control principle is as follows: Principle of fire automatic control: When the on-site control cabinet is set to automatic mode, when the fire signal arrives, the inlet electric ball valve and outlet electric ball valve (220V) on the storage tank will be automatically opened; When the fire signal disappears, the inlet valve and outlet valve are automatically closed. There is a working status indicator light on the control cabinet (closed/open), and the valve feedback point on the control cabinet is the active point (220V), If passive feedback contacts are required, they should be specified in the procurement requirements. When manually controlling, the on-site control cabinet must be set to manual mode, and the corresponding valve opening and closing buttons on the control cabinet should sequentially open/close the inlet electric ball valve and the outlet electric ball valve. In case of power shortage in the on-site control cabinet, the valve opening wrench equipped on the electric valve can be used to manually open the electric valve | ![]() |
| ||||||||||||||||||||||||||||||||||||||||||||||||||||||||||||||||||||||||||||||||||||||||||||||||||||||||||||||||||||||||||||||||||||||||||||||||
![]() |
Why Choose Us:

|
|
Low Pressure Loss Durable Foam Bladder Tank for Easy Operation in AFFF and Fluoroprotein Fire Fighting Foam Images |